大型車車輪脱落事故防止に関する情報

1.国土交通省からの緊急対策の要請

大型車の車輪脱落事故が依然として多く発生していることを受け、国土交通省物流・自動車局自動車整備課長等から当会に対し、別紙「大型車の車輪脱落事故防止に係る令和7年度緊急対策の実施について」(令和7年9月30日付 国自整第130号等)の通知がございました。

令和6年度の事故発生件数は120件(うち3件は人身事故)と前年度より22件減少したものの依然として多く発生している状況であり、この事実は、重く受け止めなければなりません。

つきましては、タイヤ取扱店等においては、下記事項の確実な実施をお願い申し上げます。 また、タイヤ販売会社等においては、取引のあるタイヤ取扱店等に対し、下記事項の確実な実施を周知頂く様、お願い申し上げます。

  • インパクトレンチを用いてホイール・ナットを締め付ける際は、締め過ぎに注意し、最後にトルク・レンチを使用して必ず規定トルクで締め付けること。
  • ホイール・ナットの規定トルクでの締め付け及びホイールに適合したボルト、ナットを使用すること。
    特に、脱落の多い左側後輪や積雪地域、舗装されていない道路を走行する大型車について、重点的に確認すること。
  • 入庫する大型車の使用者に対して、車輪脱落事故防止のための「お・と・さ・な・い」のポイント※について周知すること。
    特に、脱落の多い左側後輪や積雪地域、舗装されていない道路を走行する大型車について、重点的な点検を実施するよう周知・啓発すること。
    ※「お・と・さ・な・い」のポイント
    • 1.お・・・おとさぬための点検整備
      事前の正しい点検が大きな事故を未然に防ぐ唯一かつ最善な手段
    • 2.と・・・トルクレンチで適正締付
      適正なトルクレンチによる規定トルクの締め付け、タイヤ交換後の増し締めの実施
    • 3.さ・・・さびたナットは清掃・交換
      ディスク・ホイール取付面、ホイール・ナット当たり面、ハブの取付面、ホイール・ボルト、ナットの錆やゴミ、追加塗装などを除去
    • 4.な・・・ナット・ワッシャ隙間に給脂
      ホイール・ボルト、ナットのねじ部と、ナットとワッシャのすき間にエンジンオイルなど指定の潤滑油を薄く塗布し 、回転させてなじませる
    • 5.い・・・いちにち一度は緩みの点検
      運行前に特に脱落が多い左後輪を中心にボルト、ナットを目視や直接触るなどして点検
  • 著しくさびたホイール・ボルトやホイール・ナット、ディスク・ホイールでは、適正な締付力が得られないため、タイヤ脱着作業時に点検・清掃や潤滑剤の塗布を行っても、さびが著しいディスク・ホイールや、ひっかかり等の異状がありスムーズに回らないホイール・ボルト及びホイール・ナットは、使用せず交換が必要であることを大型車の使用者に理解してもらうよう努めること。
    なお、上記周知については下記のチラシ「ホイールボルト、ナットやディスクホイール、ハブの錆に注意!」を活用されたい。
  • タイヤ脱着作業依頼により入庫する大型車の使用者から、ホイール・ナットへのマーキングや、ホイール・ナット回転指示インジケーター類の施工依頼があった場合には、これに応じ適切に対応すること。
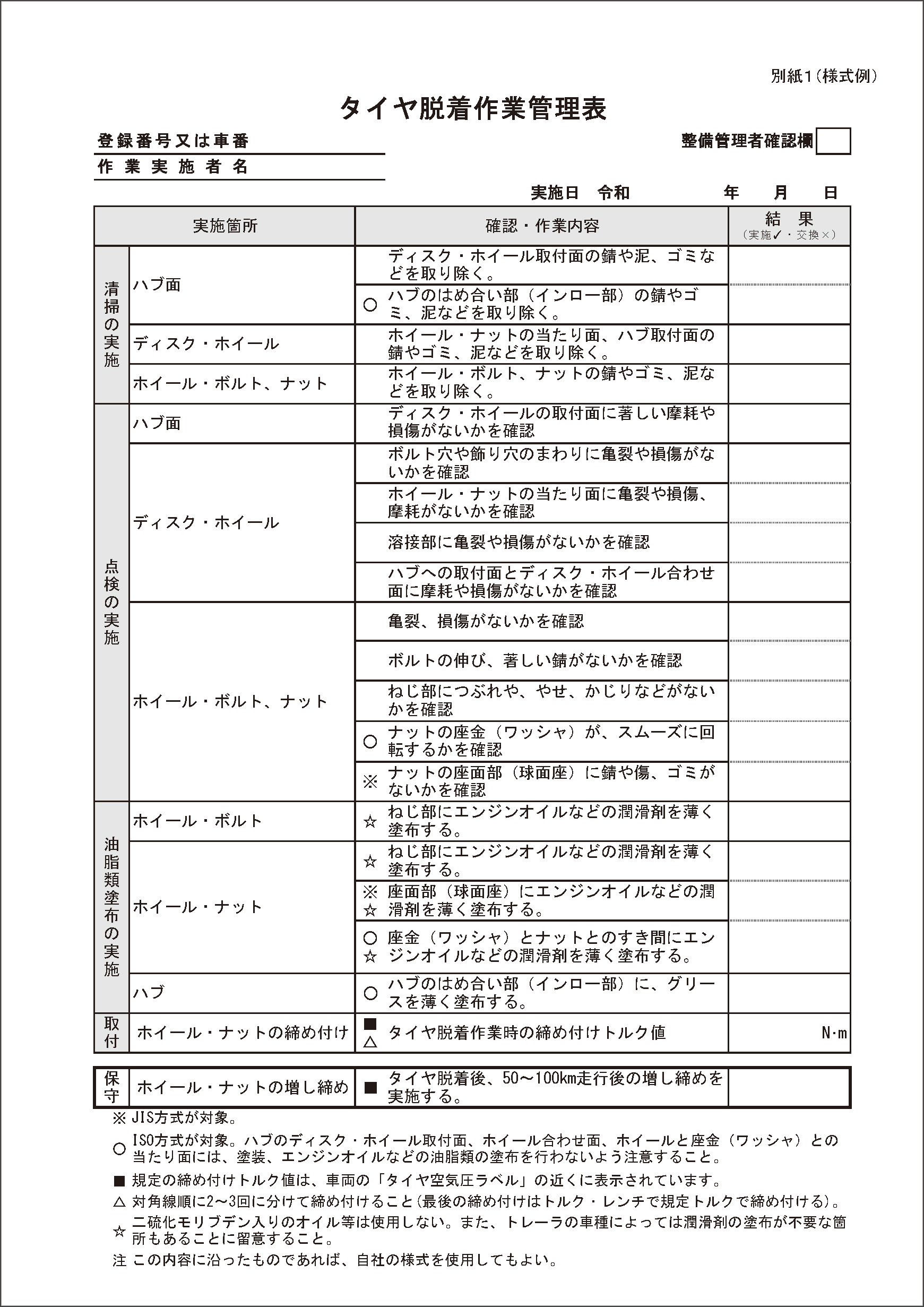
  • タイヤ脱着作業者においても、大型車のタイヤ脱着作業の際は、下記のタイヤ脱着作業管理表に沿った作業を行い、依頼者へ作業完了報告するよう努めるとともに、事業場以外で行う脱着作業に際しても必ず必要な工具等(トルク・レンチ類、給脂に必要な潤滑剤、清掃用具、新品ナットなど)を持参・使用すること。
    また、タイヤ脱着作業後の増し締めの重要性を周知・啓発し、確実な増し締めの実施を促すこと。

2. 当会、官公庁、関係団体による啓発資料等

(1) タイヤ脱着作業管理表、日常点検表フォーマット

(2)啓発動画

国土交通省 日本自動車工業会 全日本トラック協会

(3)啓発チラシ、リーフレット

日本自動車タイヤ協会
text

大型車の車輪脱落事故防止対策
「適正作業啓発チラシ」

text

大型車の車輪脱落事故防止対策
「増し締め啓発チラシ」

国土交通省
text

大型車ユーザー向け車輪脱落事故防止チラシ

大型車の車輪脱落事故防止のための啓発ポスター

大型車の車輪脱落事故防止のための啓発ポスター

日本自動車工業会
text

車輪脱落事故防止チラシ(おとさない)

text

車輪脱落事故防止ポイント(チラシ)

text

連結式ナット回転指示インジケーターの取扱い

text

新・ISO方式ホイール取扱いガイド

text

中・大型トラック・バスのホイールナット締付けトルク

text

ホイール脱着後は増し締めを確実に!

text

ストップ!!ザ・車輪脱落事故~大型車の車輪脱落事故ゼロへ~

text

ホイールナット増し締めのお願い

text

ホイールボルト、ナットやディスクホイール、ハブの錆に注意!

text

車輪脱落予兆検知装置のご案内

全日本トラック協会
text

さらに減らそう車輪脱落事故

(4) 啓発ページ

3.大型車ホイールの新・ISO方式化

国内大型車メーカーは、排出ガス規制・ポスト新長期規制適合車より、新・ISO方式ホイールを採用しています。タイヤ整備作業上注意が必要な点があり、特に誤装着は、ホイール亀裂や車輪脱落事故の原因となります。

詳しくは、下記のポスター及びパンフレットとなります。